Главная > Подшипники> Шарнирные скольжения>SIQ40ES

SIQ40ES — Радиальный сферический подшипник скольжения, импортное производство по ISO стандарту номер основного исполнения .
Производитель: LS.
E = Увеличенная грузоподъемность. S = кольцевой канал с двумя отверстиями для смазки во внутреннем и наружном кольце.
Цена по запросу
Цена на подшипник зависит от:
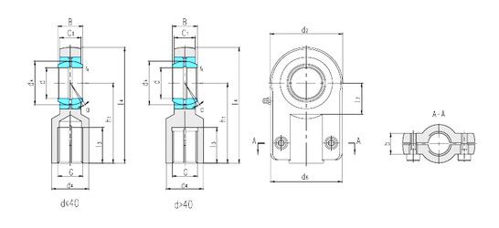
Габаритные размеры
Размеры и геометрические характеристики
Нагрузка и ресурс
Защита
Присоединительные размеры
Другие размеры
Сферический шарнирный подшипник SIL40TXE-2LS (SKF)
Сферический шарнирный подшипник SILA40TXE-2LS (SKF)
Сферический шарнирный подшипник SILA40ES-2RS (SKF)
Сферический шарнирный подшипник SIL40ES-2RS (SKF)
Радиальный сферический подшипник скольжения SILR40ES (SKF)
Радиальный сферический подшипник скольжения SILJ40ES (SKF)