Главная > Подшипники> Шарнирные скольжения>SILQG 200 ES

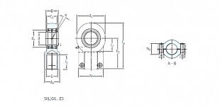
SILQG 200 ES — Радиальный сферический подшипник скольжения, импортное производство по ISO стандарту номер основного исполнения .
Производитель: SKF.
E = Увеличенная грузоподъемность. S = кольцевой канал с двумя отверстиями для смазки во внутреннем и наружном кольце.
Цена по запросу
Цена на подшипник зависит от:
Габаритные размеры
Размеры и геометрические характеристики
Нагрузка и ресурс
Защита
Присоединительные размеры
Конструкция и исполнение
Другие размеры