Главная > Подшипники> Шарнирные скольжения>SILKB6F

SILKB6F — Сферический шарнирный подшипник, импортное производство по ISO стандарту номер основного исполнения .
Производитель: SKF.
Механически обработанный сепаратор из стали или чугуна, центрируемый по телам качения.
Цена от:603 р.
Цена на подшипник зависит от:
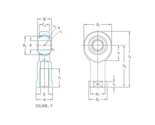
Габаритные размеры
Размеры и геометрические характеристики
Нагрузка и ресурс
Защита
Присоединительные размеры
Подшипник скольжения сферический SAL06T/K (CRAFT)
Сферический шарнирный подшипник SALKAC6M (SKF)
Сферический шарнирный подшипник SIKB6F (SKF)
Сферический шарнирный подшипник SIKAC6M (SKF)
Сферический шарнирный подшипник SIK6C (LS)
Подшипник скольжения сферический SIL06T/K (CRAFT)