Главная > Подшипники> Шарнирные скольжения>SILKB22F

SILKB22F — Сферический шарнирный подшипник, импортное производство по ISO стандарту номер основного исполнения .
Производитель: SKF.
Механически обработанный сепаратор из стали или чугуна, центрируемый по телам качения.
Цена по запросу
Цена на подшипник зависит от:
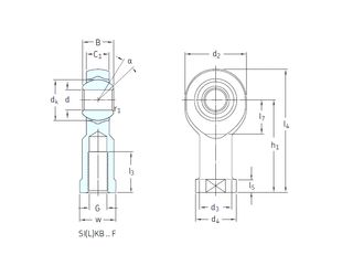
Габаритные размеры
Размеры и геометрические характеристики
Нагрузка и ресурс
Защита
Присоединительные размеры
Сферический шарнирный подшипник SAKAC22M (SKF)
Подшипник скольжения сферический SI22T/K (CRAFT)
Сферический шарнирный подшипник SIKAC22M (SKF)
Сферический шарнирный подшипник SIKB22F (SKF)
Подшипник скольжения сферический SIL 22 (CX, ISO)
Подшипник скольжения сферический SIL22T/K (CRAFT)