Главная > Подшипники> Шарнирные скольжения>SILKB20F

SILKB20F — Сферический шарнирный подшипник, импортное производство по ISO стандарту номер основного исполнения .
Производитель: SKF.
Механически обработанный сепаратор из стали или чугуна, центрируемый по телам качения.
Цена от:1 898 р.
Цена на подшипник зависит от:
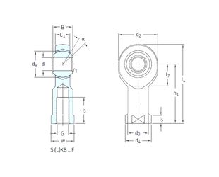
Габаритные размеры
Размеры и геометрические характеристики
Нагрузка и ресурс
Защита
Присоединительные размеры
Подшипник скольжения сферический SAL20T/K (CRAFT)
Сферический шарнирный подшипник SIKAC20M (SKF)
Радиальный сферический подшипник скольжения SIJ20 (LS)
Радиальный сферический подшипник скольжения SIK20C (LS)
Сферический шарнирный подшипник SIKB20F (SKF)
Подшипник скольжения сферический SIL 20 (CX, ISO)