Главная > Подшипники> Шарнирные скольжения>SILKB18F

SILKB18F — Сферический шарнирный подшипник, импортное производство по ISO стандарту номер основного исполнения .
Производитель: SKF.
Механически обработанный сепаратор из стали или чугуна, центрируемый по телам качения.
Цена по запросу
Цена на подшипник зависит от:
Габаритные размеры
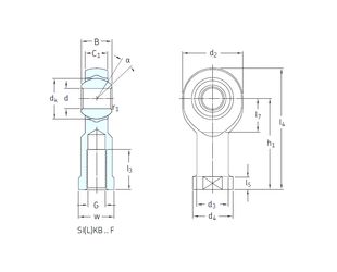
Размеры и геометрические характеристики
Нагрузка и ресурс
Защита
Присоединительные размеры
Радиальный сферический подшипник скольжения SAK18C (LS)
Радиальный сферический подшипник скольжения SIK18C (LS)
Радиальный сферический подшипник скольжения SIJ18 (LS)
Сферический шарнирный подшипник SIKAC18M (SKF)
Сферический шарнирный подшипник SIKB18F (SKF)
Подшипник скольжения сферический SIL 18 (CX, ISO)