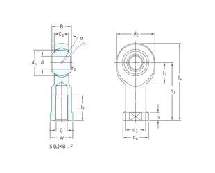
Главная > Подшипники> Шарнирные скольжения>SILKB12F

SILKB12F — Сферический шарнирный подшипник, импортное производство по ISO стандарту номер основного исполнения .
Производитель: SKF.
Механически обработанный сепаратор из стали или чугуна, центрируемый по телам качения.
Цена по запросу
Цена на подшипник зависит от:
Габаритные размеры
Размеры и геометрические характеристики
Нагрузка и ресурс
Защита
Присоединительные размеры
Подшипник скольжения сферический SAL12T/K (CRAFT)
Сферический шарнирный подшипник SAKB12F (SKF)
Сферический шарнирный подшипник SALKB12F (SKF)
Подшипник скольжения сферический SIL 12 (CX, ISO)
Радиальный сферический подшипник скольжения SIJK12C (AST, LS)
Сферический шарнирный подшипник SIKAC12M (SKF)