Главная > Подшипники> Шарнирные скольжения>SIL25C

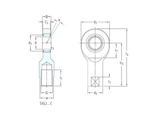
SIL25C — Сферический подшипник скольжения, импортное производство по ISO стандарту номер основного исполнения .
Производитель: SKF.
С = Необслуживаемые концы стержней, внутренняя резьба.
Цена от:2 319 р.
Цена на подшипник зависит от:
Габаритные размеры
Размеры и геометрические характеристики
Нагрузка и ресурс
Защита
Присоединительные размеры
Сферический шарнирный подшипник SAL25ES (SKF)
Радиальный сферический подшипник скольжения SI25ET-2RS (AST, LS)
Сферический шарнирный подшипник SIL25ES (SKF)
Радиальный сферический подшипник скольжения SILJ25ES (SKF)
Радиальный сферический подшипник скольжения SIQ25ES (LS)
Радиальный сферический подшипник скольжения SILR25ES (SKF)