Главная > Подшипники> Шарнирные скольжения>SIL17C

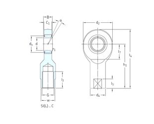
SIL17C — Сферический шарнирный подшипник, импортное производство по ISO стандарту номер основного исполнения .
Производитель: SKF.
С = Необслуживаемые концы стержней, внутренняя резьба.
Цена от:1 480 р.
Цена на подшипник зависит от:
Габаритные размеры
Размеры и геометрические характеристики
Нагрузка и ресурс
Защита
Присоединительные размеры