Главная > Подшипники> Шарнирные скольжения>SIKB8F

SIKB8F — Сферический шарнирный подшипник, импортное производство по ISO стандарту номер основного исполнения .
Производитель: SKF.
Механически обработанный сепаратор из стали или чугуна, центрируемый по телам качения.
Цена по запросу
Цена на подшипник зависит от:
Габаритные размеры
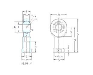
Размеры и геометрические характеристики
Нагрузка и ресурс
Защита
Присоединительные размеры
Подшипник скольжения сферический SAL 08 (CX, ISO)
Сферический шарнирный подшипник SAK8C (LS)
Сферический шарнирный подшипник SIJK8C (AST, LS)
Радиальный сферический подшипник скольжения SIK8C (LS)
Подшипник скольжения сферический SIL 08 (CX, ISO)
Подшипник скольжения сферический SIL08T/K (CRAFT)