Главная > Подшипники> Шарнирные скольжения>SIKB14F

SIKB14F — Сферический шарнирный подшипник, импортное производство по ISO стандарту номер основного исполнения .
Производитель: SKF.
Механически обработанный сепаратор из стали или чугуна, центрируемый по телам качения.
Цена по запросу
Цена на подшипник зависит от:
Габаритные размеры
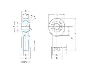
Размеры и геометрические характеристики
Нагрузка и ресурс
Защита
Присоединительные размеры
Сферический шарнирный подшипник SABP14S (LS)
Подшипник скольжения сферический SAL14T/K (CRAFT)
Подшипник скольжения сферический SI14T/K (CRAFT)
Подшипник скольжения сферический SIL 14 (CX, ISO)
Радиальный сферический подшипник скольжения SIK14C (LS)
Радиальный сферический подшипник скольжения SIJ14 (LS)