Главная > Подшипники> Шарнирные скольжения>SIKB10F/VZ019

SIKB10F/VZ019 — Сферический шарнирный подшипник, импортное производство по ISO стандарту номер основного исполнения .
Производитель: SKF.
Механически обработанный сепаратор из стали или чугуна, центрируемый по телам качения.
Цена по запросу
Цена на подшипник зависит от:
Габаритные размеры
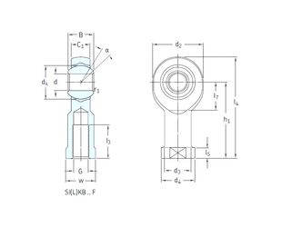
Размеры и геометрические характеристики
Нагрузка и ресурс
Защита
Присоединительные размеры
Сферический шарнирный подшипник SABP10S (LS)
Сферический шарнирный подшипник SALKB10F (SKF)
Сферический шарнирный подшипник SIJK10C (AST, LS)
Подшипник скольжения сферический SIL 10 (CX, ISO)
Сферический шарнирный подшипник SIKAC10M/VZ019 (SKF)
Радиальный сферический подшипник скольжения SIJ10 (LS)