Главная > Подшипники> Шарнирные скольжения>SIA40ES

SIA40ES — Радиальный сферический подшипник скольжения, импортное производство по ISO стандарту, размер 40x120x28 номер основного исполнения .
Производитель: LS.
E = Увеличенная грузоподъемность. S = кольцевой канал с двумя отверстиями для смазки во внутреннем и наружном кольце.
Цена от:5 367 р.
Цена на подшипник зависит от:
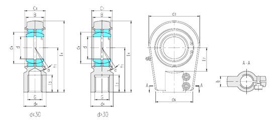
Габаритные размеры
Размеры и геометрические характеристики
Нагрузка и ресурс
Защита
Присоединительные размеры
Другие размеры
Радиальный сферический подшипник скольжения SI40ET-2RS (LS)
Сферический шарнирный подшипник SIA40ES-2RS (SKF)
Сферический шарнирный подшипник SI40TXE-2LS (SKF)
Радиальный сферический подшипник скольжения SIA40TXE-2LS (SKF)
Сферический шарнирный подшипник SIJ40ES (SKF)