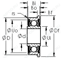
Главная > Подшипники> Шариковые> Радиальные>SFRW8ZZ

SFRW8ZZ — импортное производство по ISO стандарту номер основного исполнения .
Производитель: AST.
ZZ = Два металлических экрана.
Цена по запросу
Цена на подшипник зависит от:
Габаритные размеры
Нагрузка и ресурс
Присоединительные размеры
Конструкция и исполнение
Прочие характеристики
Подшипник шариковый упорный 6-8201 (ГПЗ-2)
Подшипник шариковый упорный 8201 К (ГПЗ-20)
Подшипник упорный шариковый одинарный 8201 Т2 (ГПЗ-2)
Радиальный шарикоподшипник MU001+ER (NACHI)