Главная > Подшипники> Шариковые> Радиальные>SFRW6ZZ

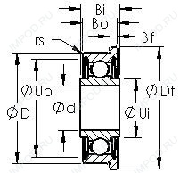
SFRW6ZZ — Шарикоподшипник из нержавеющей стали дюймовая серия, импортное производство по ISO стандарту номер основного исполнения .
Производитель: AST.
ZZ = Два металлических экрана.
Цена по запросу
Цена на подшипник зависит от:
Габаритные размеры
Нагрузка и ресурс
Присоединительные размеры
Конструкция и исполнение
Прочие характеристики
Подшипник упорный одинарный с игольчатыми роликами без колец АК9X22X2
Подшипник однорядный шариковый радиальный KSP6A (AST)
Подшипник однорядный шариковый радиальный R 6 ZZ (AST, CYSD, ISB, ISO, NIS)
Подшипник однорядный шариковый радиальный R 6 (AST, CYSD, FBJ, ISB, ISO)