Главная > Подшипники> Шариковые> Радиальные>SFRW3ZZ

SFRW3ZZ — импортное производство по ISO стандарту номер основного исполнения .
Производитель: AST.
W3 = Смазочный паз и три отверстия в наружном кольце подшипника.
Цена по запросу
Цена на подшипник зависит от:
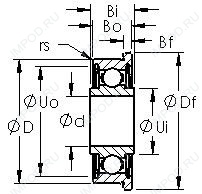
Габаритные размеры
Нагрузка и ресурс
Присоединительные размеры
Конструкция и исполнение
Прочие характеристики
Подшипник шариковый упорный 1008094 Б (ГПЗ-2)
Подшипник упорный шариковый одинарный 6-1008094 Б (ГПЗ-2)
Радиальный шарикоподшипник NC604 (KOYO)
Подшипник однорядный шариковый радиальный R 3 (AST, FBJ, ISB, ISO, NIS)
Подшипник однорядный шариковый радиальный R 3 ZZ (ISB, ISO, NIS, NSK)