Главная > Подшипники> Шариковые> Радиальные>SFRW2-6ZZ

SFRW2-6ZZ — импортное производство по ISO стандарту номер основного исполнения .
Производитель: AST.
W2 = Подшипники из нержавеющей стали .
Цена по запросу
Цена на подшипник зависит от:
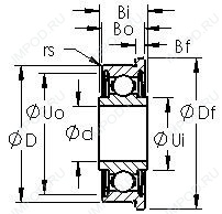
Габаритные размеры
Нагрузка и ресурс
Присоединительные размеры
Конструкция и исполнение
Прочие характеристики
Подшипник шариковый радиальный ME93 (ISB)
Подшипник шариковый радиальный ME93ZZ (ISB)
Подшипник шариковый радиальный MF93 (FBJ, ISB, ISO, NSK, ZEN)
Подшипник однорядный шариковый радиальный MF93ZZ (FBJ, ISB, ISO, NSK)
Радиальный шарикоподшипник MF93-2Z (ZEN)