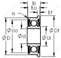
Главная > Подшипники> Шариковые> Радиальные>SFRW1ZZ

SFRW1ZZ — Шарикоподшипник из нержавеющей стали дюймовая серия, импортное производство по ISO стандарту номер основного исполнения .
Производитель: AST.
ZZ = Два металлических экрана.
Цена по запросу
Цена на подшипник зависит от:
Габаритные размеры
Нагрузка и ресурс
Присоединительные размеры
Конструкция и исполнение
Прочие характеристики
Подшипник шариковый радиальный MF41X (FBJ, ISO, NSK)
Радиальный шарикоподшипник ML1204 (KOYO)
Подшипник шариковый радиальный MR 41 XZZ (FBJ, ISB, ISO, NSK)
Подшипник шариковый радиальный MR41X (FBJ, ISB, ISO, NSK)
Радиальный шарикоподшипник MR41X-2Z (ZEN)
Радиальный шарикоподшипник OB67 (KOYO)