Главная > Подшипники> Шариковые> Радиальные>SFRW188ZZ

SFRW188ZZ — Подшипник шариковый из нержавеющей стали, импортное производство по ISO стандарту номер основного исполнения SFRW188.
Производитель: AST.
ZZ = Два металлических экрана.
Цена по запросу
Цена на подшипник зависит от:
| Обозначение | Модификация |
|---|---|
| SFRW188 | Основное конструктивное исполнение. |
| SFRW188-2RS | Резиновые уплотнения с каждой стороны подшипника. |
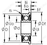
Габаритные размеры
Нагрузка и ресурс
Присоединительные размеры
Конструкция и исполнение
Прочие характеристики
Подшипник однорядный шариковый радиальный MF126 (FBJ, ISB, ISO, NSK, ZEN)
Подшипник однорядный шариковый радиальный MF126ZZ (FBJ, ISB, ISO, NSK)
Подшипник шариковый радиальный MF126-2RS (ISO, ZEN)
Радиальный шарикоподшипник MF126-2Z (ZEN)
Радиальный шарикоподшипник MF126DD (NSK)
Радиальный шарикоподшипник MLF6012 (KOYO)