Главная > Подшипники> Шариковые> Радиальные>SFRW156ZZ

SFRW156ZZ — импортное производство по ISO стандарту номер основного исполнения SFRW156.
Производитель: AST.
ZZ = Два металлических экрана.
Цена по запросу
Цена на подшипник зависит от:
| Обозначение | Модификация |
|---|---|
| SFRW156 | Основное конструктивное исполнение. |
| SFRW156-TT | T = Механически обработанный сепаратор из текстолита, центрируемый по телам качения. |
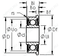
Габаритные размеры
Нагрузка и ресурс
Присоединительные размеры
Конструкция и исполнение
Прочие характеристики
Подшипник шариковый радиальный MF74 (FBJ, ISB, ISO, NSK, ZEN)
Подшипник однорядный шариковый радиальный MF74ZZ (FBJ, ISB, ISO, NSK)
Радиальный шарикоподшипник MF74-2Z (ZEN)
Радиальный шарикоподшипник ML4007 (KOYO)
Радиальный шарикоподшипник MLF4007 (KOYO)
Подшипник однорядный шариковый радиальный MR 74 ZZ (FBJ, ISB, ISO, NSK)