Главная > Подшипники> Шариковые> Радиальные>SFRW155ZZ

SFRW155ZZ — импортное производство по ISO стандарту номер основного исполнения SFRW155.
Производитель: AST.
ZZ = Два металлических экрана.
Цена по запросу
Цена на подшипник зависит от:
| Обозначение | Модификация |
|---|---|
| SFRW155 | Основное конструктивное исполнение. |
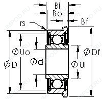
Габаритные размеры
Нагрузка и ресурс
Присоединительные размеры
Конструкция и исполнение
Прочие характеристики
Радиальный шарикоподшипник OB79 (KOYO)
Радиальный шарикоподшипник OB75 (KOYO)
Радиальный шарикоподшипник R 155 ZZS (NSK)
Подшипник однорядный шариковый радиальный R 155 (FBJ, ISB, ISO, NIS, NSK)
Подшипник однорядный шариковый радиальный R 2-5 (FBJ, ISB, ISO, NSK, NTN)
Подшипник однорядный шариковый радиальный R 2-5 ZZ (FBJ, ISB, ISO, NSK, NTN)