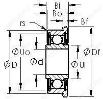
Главная > Подшипники> Шариковые> Радиальные>SFRW133ZZ

SFRW133ZZ — Шарикоподшипник из нержавеющей стали дюймовая серия, импортное производство по ISO стандарту номер основного исполнения .
Производитель: AST.
ZZ = Два металлических экрана.
Цена по запросу
Цена на подшипник зависит от:
Габаритные размеры
Нагрузка и ресурс
Присоединительные размеры
Конструкция и исполнение
Прочие характеристики
Радиальный шарикоподшипник OB71 (KOYO)
Радиальный шарикоподшипник R 133 ZZS (NSK)
Подшипник шариковый радиальный R 133 (FBJ, ISB, ISO, NSK, NTN)
Подшипник однорядный шариковый радиальный R133ZZ (FBJ, ISB, ISO)
Подшипник шариковый радиальный R133-2RS (ISO)
Радиальный шарикоподшипник R133-2Z (ZEN)