Главная > Подшипники> Шариковые> Радиальные>SFRW1-5ZZ

SFRW1-5ZZ — импортное производство по ISO стандарту номер основного исполнения .
Производитель: AST.
ZZ = Два металлических экрана.
Цена по запросу
Цена на подшипник зависит от:
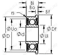
Габаритные размеры
Нагрузка и ресурс
Присоединительные размеры
Конструкция и исполнение
Прочие характеристики
Радиальный шарикоподшипник MF72-2Z (ZEN)
Подшипник шариковый радиальный MF72ZZ (FBJ, ISB, ISO, NSK)
Подшипник шариковый радиальный MF72 (FBJ, ISB, ISO, NSK)
Радиальный шарикоподшипник ML2007 (KOYO)
Подшипник однорядный шариковый радиальный MR 72 ZZ (FBJ, ISB, ISO, NSK)
Радиальный шарикоподшипник MLF2007 (KOYO)