Главная > Подшипники> Шариковые> Радиальные>SFRW1-4ZZ

SFRW1-4ZZ — импортное производство по ISO стандарту номер основного исполнения .
Производитель: AST.
ZZ = Два металлических экрана.
Цена по запросу
Цена на подшипник зависит от:
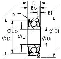
Габаритные размеры
Нагрузка и ресурс
Присоединительные размеры
Конструкция и исполнение
Прочие характеристики
Радиальный шарикоподшипник ML1506 (KOYO)
Радиальный шарикоподшипник MLF1506 (KOYO)
Радиальный шарикоподшипник OB69 (KOYO)
Подшипник однорядный шариковый радиальный R 1-4 ZZ (AST, CYSD, FBJ, ISB, ISO)
Подшипник однорядный шариковый радиальный R 1-4 (AST, CYSD, FBJ, ISB, ISO)
Подшипник однорядный шариковый радиальный R-615ZZ (NIS, NMB)