Главная > Подшипники> Шариковые> Радиальные>SFR8ZZ

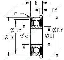
SFR8ZZ — Шарикоподшипник из нержавеющей стали дюймовая серия, импортное производство по ISO стандарту, размер 12x28x7 номер основного исполнения .
Производитель: AST.
ZZ = Два металлических экрана.
Цена от:193 р.
Цена на подшипник зависит от:
Габаритные размеры
Размеры и геометрические характеристики
Нагрузка и ресурс
Присоединительные размеры
Конструкция и исполнение
Прочие характеристики
Подшипник однорядный шариковый радиальный 16001 (CX, CYSD, FBJ, ISO, KOYO)
Подшипник шариковый радиальный однорядный 25-7000101 Б (ГПЗ-4)
Подшипник шариковый радиальный однорядный 35-7000101 Б (ГПЗ-4)
Подшипник шариковый радиальный 5-7000101 БТ2 (ГПЗ-4)
Подшипник шариковый радиальный 5-7000101 Б (ГПЗ-4)
Подшипник шариковый радиальный однорядный 5-7000101 Т (ГПЗ-4)