Главная > Подшипники> Шариковые> Радиальные>SFR2ZZ

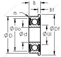
SFR2ZZ — Подшипник шариковый из нержавеющей стали, импортное производство по ISO стандарту, размер 3x9x3 номер основного исполнения .
Производитель: AST.
2Z = Металлические шайбы с каждой стороны подшипника.
Цена от:85 р.
Цена на подшипник зависит от:
Габаритные размеры
Размеры и геометрические характеристики
Нагрузка и ресурс
Присоединительные размеры
Конструкция и исполнение
Прочие характеристики
Подшипник шариковый радиальный однорядный 13 (ГПЗ-4)
Подшипник шариковый радиальный 4-640013 Ю1Т
Подшипник шариковый радиальный 4-640013
Подшипник шариковый радиальный 4-640013 ЮТ
Подшипник шариковый радиальный однорядный 5-13 (ГПЗ-4)
Подшипник шариковый радиальный 5-640013 К