Главная > Подшипники> Шариковые> Радиальные>SFR2-2RS

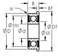
SFR2-2RS — Радиальный шарикоподшипник, импортное производство по ISO стандарту, размер 3x9x3 номер основного исполнения .
Производится брендами: AST, ZEN.
Резиновые уплотнения с каждой стороны подшипника.
Цена от:85 р.
Цена на подшипник зависит от:
Габаритные размеры
Размеры и геометрические характеристики
Нагрузка и ресурс
Защита
Присоединительные размеры
Конструкция и исполнение
Прочие характеристики
Подшипник шариковый радиальный однорядный 13 (ГПЗ-4)
Подшипник шариковый радиальный 4-640013 Ю1Т
Подшипник шариковый радиальный 4-640013
Подшипник шариковый радиальный 4-640013 ЮТ
Подшипник шариковый радиальный однорядный 5-13 (ГПЗ-4)
Подшипник шариковый радиальный 5-640013 К