Главная > Подшипники> Шариковые> Радиальные>SFR1810-TT

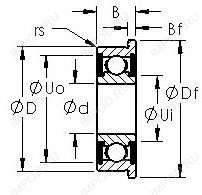
SFR1810-TT — импортное производство по ISO стандарту, размер 7x12x3 номер основного исполнения .
Производитель: AST.
T = Механически обработанный сепаратор из текстолита, центрируемый по телам качения.
Цена по запросу
Цена на подшипник зависит от:
Габаритные размеры
Размеры и геометрические характеристики
Нагрузка и ресурс
Присоединительные размеры
Конструкция и исполнение
Прочие характеристики
Радиальный шарикоподшипник FL677ZZ (NTN)
Радиальный шарикоподшипник FLWA677Z (NTN)
Подшипник однорядный шариковый радиальный FR 1810 ZZ (FBJ, ISB, ISO, NSK)
Подшипник шариковый радиальный FR1810 (FBJ, ISB, ISO, NSK)
Радиальный шарикоподшипник FR1810-2Z (ZEN)
Радиальный шарикоподшипник SFR1810-2Z (ZEN)