Главная > Подшипники> Шариковые> Радиальные>SFR156ZZ

SFR156ZZ — Подшипник шариковый из нержавеющей стали, импортное производство по ISO стандарту, размер 4x7x3 номер основного исполнения SFR156.
Производитель: AST.
ZZ = Два металлических экрана.
Цена от:75 р.
Цена на подшипник зависит от:
| Обозначение | Модификация |
|---|---|
| SFR156 | Основное конструктивное исполнение. |
| SFR156-2Z | 2Z = Металлические шайбы с каждой стороны подшипника. |
| SFR156-2TS | S = смазочный паз и три отверстия в наружном кольце подшипника. |
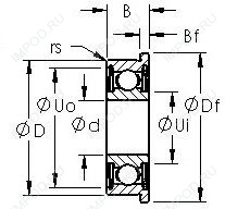
Габаритные размеры
Размеры и геометрические характеристики
Нагрузка и ресурс
Присоединительные размеры
Конструкция и исполнение
Прочие характеристики
Радиальный шарикоподшипник D/W R156-2ZS (SKF)
Подшипник однорядный шариковый радиальный FR156ZZ (FBJ, ISB, ISO)
Радиальный шарикоподшипник FR156-2TS (ZEN)
Радиальный шарикоподшипник FR156-2Z (ZEN)
Радиальный шарикоподшипник SR156-2TS (ZEN)