Главная > Подшипники> Шариковые> Радиальные>SFR133ZZ

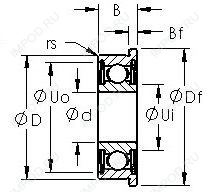
SFR133ZZ — Подшипник шариковый из нержавеющей стали, импортное производство по ISO стандарту, размер 2x4x2 номер основного исполнения SFR133.
Производитель: AST.
ZZ = Два металлических экрана.
Цена от:114 р.
Цена на подшипник зависит от:
Габаритные размеры
Размеры и геометрические характеристики
Нагрузка и ресурс
Присоединительные размеры
Конструкция и исполнение
Прочие характеристики
Подшипник шариковый радиальный однорядный 6-1000092
Подшипник шариковый радиальный 617/2 ZZ (CX, ISO)
Радиальный шарикоподшипник D/W R133-2ZS (SKF)
Подшипник однорядный шариковый радиальный FR133ZZ (FBJ, ISB, ISO)
Радиальный шарикоподшипник FR133-2Z (ZEN)