Главная > Подшипники> Шариковые> Радиальные>SFR1-5ZZ

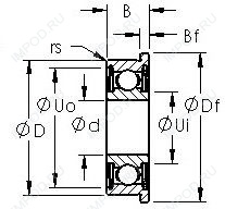
SFR1-5ZZ — Подшипник шариковый из нержавеющей стали, импортное производство по ISO стандарту, размер 2x7x3 номер основного исполнения .
Производитель: AST.
ZZ = Два металлических экрана.
Цена по запросу
Цена на подшипник зависит от:
Габаритные размеры
Размеры и геометрические характеристики
Нагрузка и ресурс
Присоединительные размеры
Конструкция и исполнение
Прочие характеристики
Подшипник шариковый радиальный 25-3080012 ЮТС2
Подшипник шариковый радиальный однорядный с двумя защитными шайбами 308009/2.5
Подшипник шариковый радиальный однорядный с одной защитной шайбой 306009/2.5
Подшипник шариковый радиальный однорядный с упорным бортом на наружном кольце и двумя защитными шайбами 388009/2.5
Подшипник шариковый радиальный однорядный с упорным бортом на наружном кольце и одной защитной шайбой 386009/2.5
Подшипник однорядный шариковый радиальный 602 ZZ (CX, FBJ, ISB, ISO, NSK)