Главная > Подшипники> Шариковые> Радиальные>SFR1-4ZZ

SFR1-4ZZ — Шарикоподшипник из нержавеющей стали дюймовая серия, импортное производство по ISO стандарту, размер 1x6x3 номер основного исполнения .
Производитель: AST.
ZZ = Два металлических экрана.
Цена по запросу
Цена на подшипник зависит от:
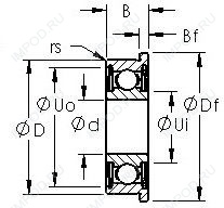
Габаритные размеры
Размеры и геометрические характеристики
Нагрузка и ресурс
Присоединительные размеры
Конструкция и исполнение
Прочие характеристики
Подшипник шариковый радиальный 601XZZ (FBJ, ISB, ISO)
Радиальный шарикоподшипник 601X-2Z (ZEN)
Радиальный шарикоподшипник F601X-2Z (ZEN)
Подшипник шариковый радиальный FL60/1.5 ZZ (CX, ISO)