Главная > Подшипники> Шариковые> Радиально-упорные>SEA90 /NS 7CE3

SEA90 /NS 7CE3 — Радиально-упорный шарикоподшипник, импортное производство по ISO стандарту, размер 90x115x13 номер основного исполнения .
Производитель: SNFA.
S = смазочный паз и три отверстия в наружном кольце подшипника.
Цена по запросу
Цена на подшипник зависит от:
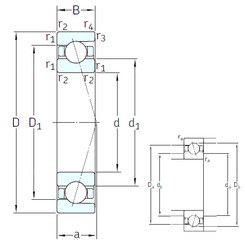
Габаритные размеры
Размеры и геометрические характеристики
Нагрузка и ресурс
Защита
Присоединительные размеры
Конструкция и исполнение
Подшипник однорядный шариковый радиальный 61818 (CRAFT, CX, ISB, ISO, NKE)
Подшипник однорядный шариковый радиальный 61818 Y (FAG, NKE)
Подшипник однорядный шариковый радиальный 61818 2RSR (NKE)
Подшипник однорядный шариковый радиальный 61818 2Z (NKE, ZEN)
Подшипник однорядный шариковый радиальный 61818 2Z.C3 (NKE)
Подшипник шариковый радиальный 1000818 А (ГПЗ-23)