Главная > Подшипники> Шариковые> Радиально-упорные>SEA85 7CE1

SEA85 7CE1 — Радиально-упорный шарикоподшипник, импортное производство по ISO стандарту, размер 85x110x13 номер основного исполнения .
Производитель: SNFA.
С = фенольная смола. E = Расположение внешнего сепаратора. 1 = CD (SKF) = 15 градусов угол контакта.
Цена по запросу
Цена на подшипник зависит от:
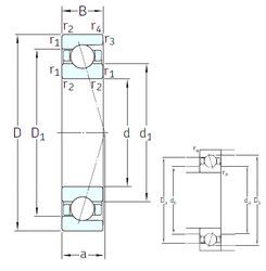
Габаритные размеры
Размеры и геометрические характеристики
Нагрузка и ресурс
Защита
Коэффициенты для расчета
Присоединительные размеры
Конструкция и исполнение
Подшипник однорядный шариковый радиальный 61817 (CRAFT, CX, ISB, ISO, NKE)
Подшипник однорядный шариковый радиальный 61817 2ZY (FAG, SKF)
Подшипник однорядный шариковый радиальный 61817 Y (FAG, SKF)
Подшипник однорядный шариковый радиальный 61817 2RSR (SKF)
Подшипник однорядный шариковый радиальный 61817 2RSY (SKF)
Подшипник однорядный шариковый радиальный 61817 2Z (SKF, ZEN)