Главная > Подшипники> Шариковые> Радиально-упорные>SEA80 /NS 7CE3

SEA80 /NS 7CE3 — Радиально-упорный шарикоподшипник, импортное производство по ISO стандарту, размер 80x100x10 номер основного исполнения .
Производитель: SNFA.
S = смазочный паз и три отверстия в наружном кольце подшипника.
Цена по запросу
Цена на подшипник зависит от:
Габаритные размеры
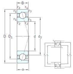
Размеры и геометрические характеристики
Нагрузка и ресурс
Защита
Присоединительные размеры
Конструкция и исполнение
Подшипник однорядный шариковый радиальный 61816 (CRAFT, CX, ISB, ISO, NKE)
Подшипник однорядный шариковый радиальный 61816 2ZY (FAG, NKE)
Подшипник однорядный шариковый радиальный 61816 2RSY (NKE)
Подшипник шариковый радиальный однорядный 1000816
Подшипник шариковый радиальный однорядный 1000816 Л (ГПЗ-4)
Подшипник шариковый радиальный однорядный 25-1000816 Л (ГПЗ-4)