Главная > Подшипники> Шариковые> Радиально-упорные>SEA80 7CE1

SEA80 7CE1 — Подшипник шариковый однорядный радиально-упорный, импортное производство по ISO стандарту, размер 80x100x10 номер основного исполнения .
Производитель: SNFA.
С = фенольная смола. E = Расположение внешнего сепаратора. 1 = CD (SKF) = 15 градусов угол контакта.
Цена по запросу
Цена на подшипник зависит от:
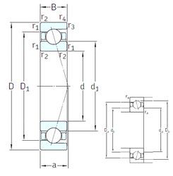
Габаритные размеры
Размеры и геометрические характеристики
Нагрузка и ресурс
Защита
Коэффициенты для расчета
Присоединительные размеры
Конструкция и исполнение
Подшипник однорядный шариковый радиальный 61816 (CRAFT, CX, ISB, ISO, NKE)
Подшипник однорядный шариковый радиальный 61816 2ZY (FAG, NKE)
Подшипник однорядный шариковый радиальный 61816 2RSY (NKE)
Подшипник шариковый радиальный однорядный 1000816
Подшипник шариковый радиальный однорядный 1000816 Л (ГПЗ-4)
Подшипник шариковый радиальный однорядный 25-1000816 Л (ГПЗ-4)