Главная > Подшипники> Шариковые> Радиально-упорные>SEA75 /NS 7CE1

SEA75 /NS 7CE1 — Радиально-упорный шарикоподшипник, импортное производство по ISO стандарту, размер 75x95x10 номер основного исполнения .
Производитель: SNFA.
С = фенольная смола. E = Расположение внешнего сепаратора. 1 = CD (SKF) = 15 градусов угол контакта.
Цена по запросу
Цена на подшипник зависит от:
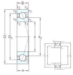
Габаритные размеры
Размеры и геометрические характеристики
Нагрузка и ресурс
Защита
Коэффициенты для расчета
Присоединительные размеры
Конструкция и исполнение
Подшипник однорядный шариковый радиальный 61815 (CRAFT, CX, IBC, ISB, ISO)
Подшипник однорядный шариковый радиальный 61815 2ZY (FAG, IBC)
Подшипник однорядный шариковый радиальный 61815 Y (FAG, IBC)
Подшипник шариковый радиальный однорядный 1000815
Подшипник шариковый радиальный 1000815 АЕ25 (ГПЗ-23)
Подшипник однорядный шариковый радиальный 61815-2RS (CX, ISB, ISO, ZEN)