Главная > Подшипники> Шариковые> Радиально-упорные>SEA65 7CE1

SEA65 7CE1 — Радиально-упорный шарикоподшипник, импортное производство по ISO стандарту, размер 65x85x10 номер основного исполнения .
Производитель: SNFA.
С = фенольная смола. E = Расположение внешнего сепаратора. 1 = CD (SKF) = 15 градусов угол контакта.
Цена по запросу
Цена на подшипник зависит от:
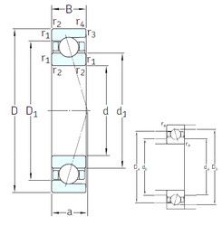
Габаритные размеры
Размеры и геометрические характеристики
Нагрузка и ресурс
Защита
Коэффициенты для расчета
Присоединительные размеры
Конструкция и исполнение
Подшипник шариковый радиальный однорядный 1000813
Подшипник однорядный шариковый радиальный 61813 2ZY (FAG, NKE)
Подшипник однорядный шариковый радиальный 61813 Y (FAG, NKE)
Подшипник однорядный шариковый радиальный 61813 2RS-Y (NKE)
Подшипник однорядный шариковый радиальный 61813 2RSR (NKE)
Подшипник однорядный шариковый радиальный 61813 2Z.C3 (NKE)