Главная > Подшипники> Шариковые> Радиально-упорные>SEA60 /NS 7CE1

SEA60 /NS 7CE1 — Радиально-упорный шарикоподшипник, импортное производство по ISO стандарту, размер 60x78x10 номер основного исполнения .
Производитель: SNFA.
С = фенольная смола. E = Расположение внешнего сепаратора. 1 = CD (SKF) = 15 градусов угол контакта.
Цена по запросу
Цена на подшипник зависит от:
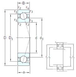
Габаритные размеры
Размеры и геометрические характеристики
Нагрузка и ресурс
Защита
Коэффициенты для расчета
Присоединительные размеры
Конструкция и исполнение
Подшипник однорядный шариковый радиальный 61812 (CRAFT, CX, ISB, ISO, NKE)
Подшипник однорядный шариковый радиальный 61812 Y (FAG, NKE)
Подшипник однорядный шариковый радиальный 61812 2RS (CRAFT, ISB, ISO, NKE, ZEN)
Подшипник однорядный шариковый радиальный 61812 2RSR (NKE)
Подшипник однорядный шариковый радиальный 61812 2Z (NKE, ZEN)