Главная > Подшипники> Шариковые> Радиально-упорные>SEA50 7CE3

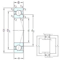
SEA50 7CE3 — Радиально-упорный шарикоподшипник, импортное производство по ISO стандарту, размер 50x65x7 номер основного исполнения .
Производитель: SNFA.
С = Необслуживаемые концы стержней, внутренняя резьба.
Цена по запросу
Цена на подшипник зависит от:
Габаритные размеры
Размеры и геометрические характеристики
Нагрузка и ресурс
Защита
Присоединительные размеры
Конструкция и исполнение
Подшипник однорядный шариковый радиальный 61810 (CRAFT, CX, IBC, ISB, ISO)
Подшипник однорядный шариковый радиальный 61810C3 (IBC)
Подшипник однорядный шариковый радиальный 61810Y (FAG, IBC)
Подшипник однорядный шариковый радиальный 618102RSY (IBC)
Подшипник однорядный шариковый радиальный 618102Z (IBC, ZEN)
Подшипник шариковый радиальный однорядный 1000810