Главная > Подшипники> Шариковые> Радиально-упорные>SEA50 7CE1

SEA50 7CE1 — Радиально-упорный шарикоподшипник, импортное производство по ISO стандарту, размер 50x65x7 номер основного исполнения .
Производитель: SNFA.
С = фенольная смола. E = Расположение внешнего сепаратора. 1 = CD (SKF) = 15 градусов угол контакта.
Цена по запросу
Цена на подшипник зависит от:
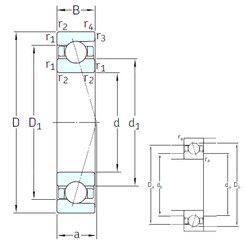
Габаритные размеры
Размеры и геометрические характеристики
Нагрузка и ресурс
Защита
Коэффициенты для расчета
Присоединительные размеры
Конструкция и исполнение
Подшипник однорядный шариковый радиальный 61810 (CRAFT, CX, IBC, ISB, ISO)
Подшипник однорядный шариковый радиальный 61810C3 (IBC)
Подшипник однорядный шариковый радиальный 61810Y (FAG, IBC)
Подшипник однорядный шариковый радиальный 618102RSY (IBC)
Подшипник однорядный шариковый радиальный 618102Z (IBC, ZEN)
Подшипник шариковый радиальный однорядный 1000810