Главная > Подшипники> Шариковые> Радиально-упорные>SEA45 7CE3

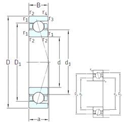
SEA45 7CE3 — Радиально-упорный шарикоподшипник, импортное производство по ISO стандарту, размер 45x58x7 номер основного исполнения .
Производитель: SNFA.
С = Необслуживаемые концы стержней, внутренняя резьба.
Цена по запросу
Цена на подшипник зависит от:
Габаритные размеры
Размеры и геометрические характеристики
Нагрузка и ресурс
Защита
Присоединительные размеры
Конструкция и исполнение
Подшипник однорядный шариковый радиальный 61809 (CRAFT, CX, IBC, ISB, ISO)
Подшипник однорядный шариковый радиальный 61809 2Z.C3 (IBC)
Подшипник однорядный шариковый радиальный 61809 ZZ (CRAFT, CX, IBC, ISO)
Подшипник однорядный шариковый радиальный 61809 2RSY (IBC)
Подшипник однорядный шариковый радиальный 61809 2Z (IBC, NKE, ZEN)