Главная > Подшипники> Шариковые> Радиально-упорные>SEA40 /NS 7CE3

SEA40 /NS 7CE3 — Радиально-упорный шарикоподшипник, импортное производство по ISO стандарту, размер 40x52x7 номер основного исполнения .
Производитель: SNFA.
S = смазочный паз и три отверстия в наружном кольце подшипника.
Цена по запросу
Цена на подшипник зависит от:
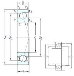
Габаритные размеры
Размеры и геометрические характеристики
Нагрузка и ресурс
Защита
Присоединительные размеры
Конструкция и исполнение
Подшипник однорядный шариковый радиальный 61808 (CRAFT, CX, FAG, ISB, ISO)
Подшипник однорядный шариковый радиальный 61808 C3 (FAG)
Подшипник однорядный шариковый радиальный 61808 ZZ (CRAFT, CX, FAG, ISO)
Подшипник однорядный шариковый радиальный 61808 2RS1 (FAG, SKF)
Подшипник однорядный шариковый радиальный 61808 2Z (FAG, NKE, ZEN)