Главная > Подшипники> Шариковые> Радиально-упорные>SEA35 7CE3

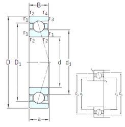
SEA35 7CE3 — Радиально-упорный шарикоподшипник, импортное производство по ISO стандарту, размер 35x47x7 номер основного исполнения .
Производитель: SNFA.
С = Необслуживаемые концы стержней, внутренняя резьба.
Цена по запросу
Цена на подшипник зависит от:
Габаритные размеры
Размеры и геометрические характеристики
Нагрузка и ресурс
Защита
Присоединительные размеры
Конструкция и исполнение
Подшипник однорядный шариковый радиальный 61807 (CRAFT, CX, FAG, ISB, ISO)
Подшипник однорядный шариковый радиальный 61807 C3 (FAG)
Подшипник однорядный шариковый радиальный 61807 ZZ (CRAFT, CX, FAG, ISO)
Подшипник однорядный шариковый радиальный 61807 2RS (CRAFT, CX, FAG, ISB, ISO)
Подшипник однорядный шариковый радиальный 61807 2RS1 (FAG, SKF)