Главная > Подшипники> Шариковые> Радиально-упорные>SEA35 7CE1

SEA35 7CE1 — Радиально-упорный шарикоподшипник, импортное производство по ISO стандарту, размер 35x47x7 номер основного исполнения .
Производитель: SNFA.
С = фенольная смола. E = Расположение внешнего сепаратора. 1 = CD (SKF) = 15 градусов угол контакта.
Цена по запросу
Цена на подшипник зависит от:
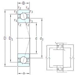
Габаритные размеры
Размеры и геометрические характеристики
Нагрузка и ресурс
Защита
Коэффициенты для расчета
Присоединительные размеры
Конструкция и исполнение
Подшипник однорядный шариковый радиальный 61807 (CRAFT, CX, FAG, ISB, ISO)
Подшипник однорядный шариковый радиальный 61807 C3 (FAG)
Подшипник однорядный шариковый радиальный 61807 ZZ (CRAFT, CX, FAG, ISO)
Подшипник однорядный шариковый радиальный 61807 2RS (CRAFT, CX, FAG, ISB, ISO)
Подшипник однорядный шариковый радиальный 61807 2RS1 (FAG, SKF)