Главная > Подшипники> Шариковые> Радиально-упорные>SEA30 /NS 7CE3

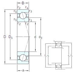
SEA30 /NS 7CE3 — Радиально-упорный шарикоподшипник, импортное производство по ISO стандарту, размер 30x42x7 номер основного исполнения .
Производитель: SNFA.
S = смазочный паз и три отверстия в наружном кольце подшипника.
Цена по запросу
Цена на подшипник зависит от:
Габаритные размеры
Размеры и геометрические характеристики
Нагрузка и ресурс
Защита
Присоединительные размеры
Конструкция и исполнение
Подшипник однорядный шариковый радиальный 61806 (CRAFT, CX, FAG, ISB, ISO)
Подшипник шариковый однорядный радиально-упорный 71806 (SKF)
Подшипник однорядный шариковый радиальный 61806 2RSR (FAG, NKE)