Главная > Подшипники> Шариковые> Радиально-упорные>SEA25 7CE1

SEA25 7CE1 — Радиально-упорный шарикоподшипник, импортное производство по ISO стандарту, размер 25x37x7 номер основного исполнения .
Производитель: SNFA.
С = фенольная смола. E = Расположение внешнего сепаратора. 1 = CD (SKF) = 15 градусов угол контакта.
Цена по запросу
Цена на подшипник зависит от:
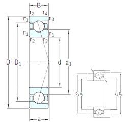
Габаритные размеры
Размеры и геометрические характеристики
Нагрузка и ресурс
Защита
Коэффициенты для расчета
Присоединительные размеры
Конструкция и исполнение
Подшипник однорядный шариковый радиальный 61805 (CRAFT, CX, FAG, ISB, ISO)
Подшипник однорядный шариковый радиальный 61805 2Z (FAG, NKE, ZEN)
Подшипник однорядный шариковый радиальный 61805 C3 (FAG)
Подшипник однорядный шариковый радиальный 61805 2RS (CRAFT, CX, FAG, ISB, ISO)
Подшипник однорядный шариковый радиальный 61805 2RSR (FAG, NKE)
Подшипник шариковый радиальный однорядный 1000805 Е