Главная > Подшипники> Шариковые> Радиально-упорные>SEA20 /NS 7CE1

SEA20 /NS 7CE1 — Радиально-упорный шарикоподшипник, импортное производство по ISO стандарту, размер 20x32x7 номер основного исполнения .
Производитель: SNFA.
С = фенольная смола. E = Расположение внешнего сепаратора. 1 = CD (SKF) = 15 градусов угол контакта.
Цена по запросу
Цена на подшипник зависит от:
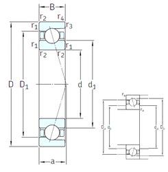
Габаритные размеры
Размеры и геометрические характеристики
Нагрузка и ресурс
Защита
Коэффициенты для расчета
Присоединительные размеры
Конструкция и исполнение
Подшипник однорядный шариковый радиальный 61804 (CRAFT, CX, FAG, ISB, ISO)
Подшипник однорядный шариковый радиальный 61804 C3 (FAG)
Подшипник однорядный шариковый радиальный 61804 2RSR (FAG, NKE)
Подшипник шариковый радиальный однорядный 1000804.2RS
Подшипник шариковый радиальный однорядный 1000804
Подшипник однорядный шариковый радиальный 61804-2RS (CRAFT, CX, ISB, ISO, ZEN)