Главная > Подшипники> Шариковые> Радиально-упорные>SEA160 /NS 7CE3

SEA160 /NS 7CE3 — Радиально-упорный шарикоподшипник, импортное производство по ISO стандарту, размер 160x200x20 номер основного исполнения .
Производитель: SNFA.
S = смазочный паз и три отверстия в наружном кольце подшипника.
Цена по запросу
Цена на подшипник зависит от:
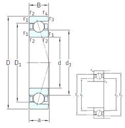
Габаритные размеры
Размеры и геометрические характеристики
Нагрузка и ресурс
Защита
Присоединительные размеры
Конструкция и исполнение
Подшипник однорядный шариковый радиальный 61832 (CX, FAG, ISB, ISO, NKE)
Подшипник шариковый радиальный однорядный 1000832 БТ
Подшипник шариковый радиальный однорядный 1000832
Подшипник шариковый радиальный однорядный 1000832 Л
Подшипник шариковый радиальный 1000832ЛТ1 (EPK)
Подшипник шариковый радиальный однорядный 26-1000832 БТ1 (ГПЗ-4)