Главная > Подшипники> Шариковые> Радиально-упорные>SEA150 7CE3

SEA150 7CE3 — Радиально-упорный шарикоподшипник, импортное производство по ISO стандарту, размер 150x190x20 номер основного исполнения .
Производитель: SNFA.
С = Необслуживаемые концы стержней, внутренняя резьба.
Цена по запросу
Цена на подшипник зависит от:
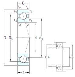
Габаритные размеры
Размеры и геометрические характеристики
Нагрузка и ресурс
Защита
Присоединительные размеры
Конструкция и исполнение
Подшипник шариковый радиальный однорядный 1000830
Подшипник шариковый радиальный однорядный 1000830 Л
Подшипник шариковый радиальный 5-1000830 Л (ГПЗ-1)
Подшипник шариковый радиальный 8-1000830 Л (ГПЗ-1)